產品名稱:角度傳感器
產品型號:CAZD-34
測量角度:0-360°
特點及用途:
1、滄正角度傳感器采用磁感應原理,將角度信號轉換為電信號輸出。
2、內部非接觸,無觸點,使用壽命長。
3、0-360°絕對位置測量,掉電信號不變。
4、無噪聲、高靈敏度、高重復性。
| 工作電壓Excitation recommend | 12、24VDC |
輸出信號 Output signal |
0-5V、4-20mA |
|
精度 Precision |
0.1%F.S | 滿量程溫漂Full range temperature drift | 0.05%F.S |
|
分辨率 resolving power |
12位 |
機械角度 Mechanical angle |
360° |
|
啟動力矩 Starting torque |
≤0.09 |
最大轉速 Max speed |
1000rpm |
| 工作溫度Working temperature | -20~85℃ |
存儲溫度 Storage temperature |
-40~90℃ |
|
防護等級 Protection Class |
IP65 |
接線方式 Connection mode |
紅:電源+ 黑:電源- 黃:信號+ 銅網:屏蔽 |
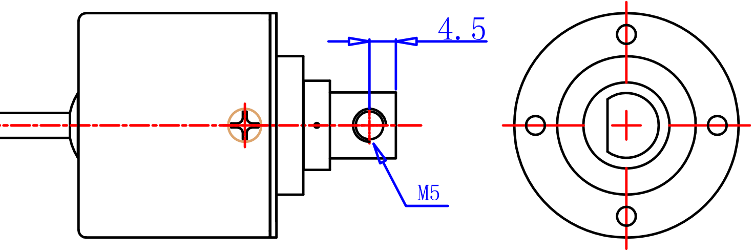
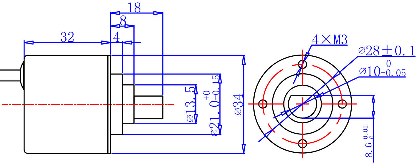
外形尺寸:





