產品名稱:壓力傳感器,力傳感器,測力傳感器,機械壓力傳感器
產品型號:CAZF-Y31.8
特點與用途:
- 不銹鋼材質
- 應變式原理
- 高度低,變形量小
-
動態響應頻率高
- CAZF-Y31.8壓式測力傳感器適用于各自動化機械設備壓力的測量與控制,如:3C組裝測試設備、新能源組裝設備、機器人等。
技術參數:
| 量程(Capacity):10、20、50、100、200、500、1000KG | |||
| 綜合誤差 Total error | 0.3%F.S | 輸入阻抗 Input resistance | 800~1100Ω |
| 靈敏度 Rated output | 1.0±20%mV/V | 輸出阻抗 Output resistance | 800~1100Ω |
| 非線性 Non-linearity | 0.3%F.S | 工作溫度范圍 Operation Temp range | -20~80℃ |
| 重復性 Repeat ability | 0.2%F.S | 溫度補償范圍 Compensated temp range | -10~60℃ |
| 蠕變(30min) Creep | 0.2%F.S | 零點溫度漂移Temperature effect on zero | 0.05%F.S./10℃ |
| 滯后 Hysteresis | 0.2%F.S | 靈敏度溫度漂移Temperature effect on out | 0.05%F.S./10℃ |
| 激勵電壓 Excitation recommend | 5-10VDC | 安全超載 Safe Load Limit | 150%F.S |
| 電纜尺寸 Cable Size | φ2 x 3000mm | 極限超載 Ultimate overload | 200%F.S |
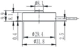
外形尺寸:


受力方式:

接線方式:

壓力傳感器_測力傳感器輸出毫伏信號,需配變送器(放大器)或顯示控制儀
變送器:
1、數字型(RS23S或RS485)
2、模擬型(電流4-20mA,電壓0-5V/0-10V)
顯示控制儀:
標配RS485\晶體管開關量輸出,選配RS232或模擬量
具體請聯系我司工程師或微信咨詢



